產品中心
Product Center
聯系我們
廈門科昊自動化有限公司
電 話:0592-3191333
聯系電話:13606082135(微信同號,備注“科昊儀表”)
傳 真:0592-3265129
網 址:www.cskxw.com
公司地址:廈門市湖里區火炬高新區創業園偉業樓南樓S305E
KH-706T溫濕度變送器

概述:
1、KH-706T溫濕度變送器是一款數字式溫濕度變送器,主要應用于藥品、食品工業、氣象環境、博物館、圖書館、庫房、機房的監測及工程自動化過程監測、科研等領域。
2、此溫濕度變送器是一種接觸式測量溫濕度的現場用儀表,通常與其它相應的二次儀表或計算機采集測量系統配套使用,可準確測量生產工作過程中空氣或物體的溫度、濕度。
3、請在儀表允許的工作條件下使用儀表,并了解儀表的接線和操作后再測試或者安裝儀表。
技術指標
1.溫濕度傳感器采用原裝進口芯片,性能穩定可靠,一致性好。
2.響應時間:8s
3.測量范圍:濕度0~100%RH,溫度-20~+80℃
4.精確度:溫度±0.5℃,濕度±4.5%RH(客戶若需要更高的精度,請與本公司聯系)
5.輸出信號:DC4~20mA(三線制)
6.電源電壓、功耗:24VDC;≤1W
7.工作溫度:-20~50℃
8.存儲溫度、相對溫度:-45~85℃;5~90%,無冷凝
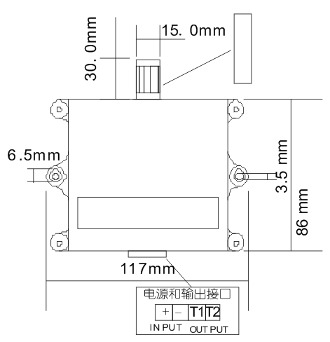
產品安裝方式及規格尺寸
管道式 :

壁掛式 :

下一篇:KH-706R Rs485接口溫濕度傳感器
推薦產品:
![]() |
| 福祿克儀表在KHP300壓 |
![]() |
| 4-20MA信號輸入的無紙 |
![]() |
| 溫濕度記錄儀在食品存 |
![]() |
| KH800G無紙溫度記錄儀 |
![]() |
| KH104溫控器在封口機 |
![]() |
| 廈門科昊自動化經銷FO |
![]() |
| KH5KW電控柜功能及配 |
![]() |
| 特寶電力監控系統需求 |
![]() |
| 特寶電力監控系統主要 |










