產品中心
Product Center
聯系我們
廈門科昊自動化有限公司
電 話:0592-3191333
聯系電話:13606082135(微信同號,備注“科昊儀表”)
傳 真:0592-3265129
網 址:www.cskxw.com
公司地址:廈門市湖里區火炬高新區創業園偉業樓南樓S305E
KH2000智能系列壓力變送器

本產品采用美國GE公司的NOVA Sensor高精度隔離型擴散硅傳感器組件,通過帶HART協議的高可靠性智能電路,將被測介質的表壓或絕壓轉換為4~20mADC標準電信號。同時利用在4~20mA傳輸線上迭加一個數字信號進行通信(采用Hart協議)、查詢和自診斷。通過PC機或手操器(通訊器)可以在現場或控制室對該變送器進行遠程控制或重新組態。高質量的傳感器、精湛的全焊接封裝技術以及完善的裝配工藝確保了變送器的高質量和優良性能。
五、性能參數
零點調節;不帶按鍵,通過PC機或手操器校準(帶按鍵顯示表產品,可通過按鍵組態調校)
一、特點
1.不銹鋼隔離膜片,適用范圍廣
2.高精度、高穩定性、高可靠性
3.抗射頻、抗電磁干擾
4.性價比高
5.具有自診斷能力
6.Hart協議數字通訊技術
1.不銹鋼隔離膜片,適用范圍廣
2.高精度、高穩定性、高可靠性
3.抗射頻、抗電磁干擾
4.性價比高
5.具有自診斷能力
6.Hart協議數字通訊技術
二、應用
1.液壓及氣動控制系統
2.工業過程檢測與控制
3.石油天然氣控制系統
4.實驗室壓力校驗
5.石化、環保、空氣壓縮
6.輕工、機械、冶金
7.熱電機組
8.其他自動控制和檢測系統
9.樓宇供水、恒壓供水
10.電站運行巡檢、機動制動系統
| 三、主要技術指標 | 四、型號說明 |
|
測量介質:與316L不銹鋼兼容的各種液體、氣體或蒸汽
量程范圍:0~10kPa至0~60Mpa(參見型號說明)
過載壓力:最大量程的2倍(其中量程代碼10的產品最大過載為90Mpa)
輸出型號:DC4~20mA(二線制)(輸出信號可選擇性或平方根輸出,
輸出與HART協議兼容的數字信號)
工作電壓:DC12~36V(二線制);標準DC 24V±5%;紋波小于1%
工作溫度:-20~70℃(標準補償);特殊補償由客戶提出
貯存溫度:-40~125℃
相對濕度:0%~95% U2-12 負載電阻:(4~20mA):R= 0.02 -RD其中:U為電源電壓,RD為電纜內阻 |
![]() |
五、性能參數
零點調節;不帶按鍵,通過PC機或手操器校準(帶按鍵顯示表產品,可通過按鍵組態調校)
量程調節:不帶按鍵,通過PC機貨手操器校準(帶按鍵顯示表產品,可通過按鍵組態調校)
電源影響:小于輸出量程的0.1%/V
負載影響:可忽略不計
溫度影響:0.05%FS/10℃(0.1級)量程遷移后溫度影響相應變大
穩 定 性:在十二個月內,不超過變送器的精確度(在最大量程時)
組尼時間:組尼時間可設置0~32S,出廠時設定為0.2S,用戶可通過PC機或手操器進行組尼時間重新設置
六、結構指標
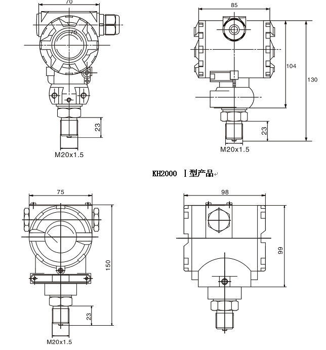
七、結構尺寸六、結構指標
膜片材料:316L不銹鋼
壓力接頭:1Cr18Ni9Ti
電子外殼:鋁合金表面噴塑處理
電氣接口:M20X1.5內螺紋電纜線密封接頭
指示表:5位LCD數字指示(數顯表)
重 量:約1.3kg
防護等級:IP65
下一篇:KH3351壓力變送器
推薦產品:
![]() |
| 福祿克儀表在KHP300壓 |
![]() |
| 4-20MA信號輸入的無紙 |
![]() |
| 溫濕度記錄儀在食品存 |
![]() |
| KH800G無紙溫度記錄儀 |
![]() |
| KH104溫控器在封口機 |
![]() |
| 廈門科昊自動化經銷FO |
![]() |
| KH5KW電控柜功能及配 |
![]() |
| 特寶電力監控系統需求 |
![]() |
| 特寶電力監控系統主要 |











